
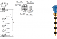
PT温控电磁液位传感器+温度开关
零件代码 – PART NUMBER 零件示意 PT3▲● – ABB ▲ 固定 Fixing ● 长度 Length mm 0 3孔法兰固定 3 holes flanged 以50mm的倍数Multiple of ...

零件代码 – PART NUMBER 零件示意 PT3▲● – ABB ▲ 固定 Fixing ● 长度 Length mm 0 3孔法兰固定 3 holes flanged 以50mm的倍数Multiple of ...

零件代码 – PART NUMBER 无液体 – 环境温度 without liquid – ambient temperature PN3▲● – NTC ▲ 固定 Fixing ● 长度 ...

法兰 – Flange 零件代码 – PART NUMBER 3C 橙色 ORANGE 2 LIVello 液位 白色 / WHITE 1 TERMOSTATO 恒温器 棕色 / BROWN 3 孔 – ...

零件代码表格 零件代码 – PART NUMBER 法兰 – Flange 2NC 失棕色/BROWNORANGE 3C 1 NO 开白色/WHITE 3 孔 – 3 holes PK30082 R...

零件代码表 零件代码 – PART NUMBER 长度 Length mm 1- 2 3C 2 NC 1 NO 103 PG30103 – 100 PG30103 – 500 200 PG30200 ...

零件代码表 零件代码 – PART NUMBER 1- 2 1 C 2 NC 3 NO P40 – 100 P40 – 500 长度 Length mm 100 / 200 / 300 / 400 / 5...

零件代码信息 零件代码 – PART NUMBER C L1 mm L2 mm L3 mm L4 mm P39D – L1 – L2 – L3 – L4 = L. tot. 翻转浮...

零件代码信息 零件代码 – PART NUMBER C L1 mm L2 mm L3 mm L4 mm P39 – L1 – L2 – L3 – L4 = L. tot. 翻转浮球...

零件代码信息 零件代码 – PART NUMBER 白色WHITE 白色 / WHITE 棕色BROWN 蓝色 / BLUE P35085 – 100 P35085 – 500 翻转浮球可切换关/开The...

零件代码信息 零件代码 – PART NUMBER 白色WHITE 白色 / WHITE 棕色BROWN 蓝色/BLUE P34070 – 100 P34070 – 500 翻转浮球可切换关/开The c...